Царев В.П. , Сидин И.В.
Высшая школа — 1990 г.
237 страницы
Большое разнообразие выпускаемых моделей часов, особенно наручных, а также их широкие функциональные возможности при ограниченном количестве кнопок управления вызывают определенные трудности при эксплуатации часов и в то же время требуют досконального изучения правил управления часами специалистами, занимающимися их ремонтом и регулировкой. Поэтому в книгу введена глава, в которой подробно рассмотрено управление цифровыми часами.
В электронных часах, в отличие от механических и электронно-механических, нет движущихся частей. Поэтому визуально определить неисправность в большинстве случаев невозможно. Для наблюдения физических процессов, происходящих в схеме, служат электронные приборы: частотомер, осциллограф, прибор диагностики.
Оглавление
Предисловие
Введение
Глава 1. Общие сведения об электронных часах
§ 1. История развития часов
§ 2. Конструкции отечественных часов и их совершенствование
§ 3. Технические характеристики часов
§ 4. Классификация часов
Глава 2. Краткие сведения из материаловедения
§ 5. Металлы и сплавы
§ 6. Железоуглеродистые сплавы
§ 7. Цветные металлы и сплавы
§ 8. Коррозия металлов в часовом производстве. Способы защиты от коррозии
§ 9. Полупроводниковые материалы
§ 10. Жидкие кристаллы
§ 11. Поляризаторы
§ 12. Часовые камни
§ 13. Часовые масла
§ 14. Силикатное и органическое стекло
§ 15. Припои и флюсы
§ 16. Изоляционные материалы
Глава 3. Детали и узлы электронных часов
§ 17. Резисторы
§ 18. Конденсаторы
§ 19. Полупроводниковые диоды. Стабилитроны
§ 20. Транзисторы
§ 21. Химические источники тока
§ 22. Микросхемы
§ 23. Индикаторы
§ 24. Кварцевые резонаторы
§ 25. Звуковые устройства
§ 26. Трансформаторы. Переключатели .
§ 27. Основные узлы механизмов аналоговых часов
§ 28. Двигатели кварцевых часов
§ 29. Дополнительные устройства в часах
§ 30. Построение схемы электронных часов
§ 31. Кварцевый генератор
§ 32. Счетчики. Делители. Дешифраторы
§ 33. Блок индикации
§ 34. Блок звуковой сигнализации
§ 35. Блок питания
§ 36. Блок управления
Глава 4. Управление цифровыми электронными часами
§ 37. Функциональные возможности электронных часов
§ 38. Управление пятифункциональными часами
’’Электроника 5-18351”
’’Электроника5-22356’’
«Электроника 5-30351”
’’Электроника 5-18351Б”
«Электроника 5-18351.1’’
«Электроника 5-18391”
«Электроника 5-18394”
’’Электроника 5-29351Б”
’’Электроника 5-29391”
’’Электроника 5-30351 А”
§ 39. Управления шестифункциональными часами
«Электроника 5-30350”, ’’Электроника 5-30350К”
§ 40. Управление семифункциональными часами
’’Электроника 5-30353”
’’Электроника 5-3035ЗА”
’’Электроника 5-29360”
’’Электроника 5-29366”
§ 41. Часы-секундомер
«Электроника 5-30354”
’’Электроника 5-29354”
§ 42. Часы-будильник
’’Электроника 5-30355”
’’Электроника 5-30357”
’’Электроника 5-29367”
«Электроника 5-29364”, ’’Электроника 5-30364”
§ 43. Часы с табель-календарем ’’Электроника 5-29358”
§ 44. Часы с цифровой настройкой хода ’’Электроника 5-29361”
§ 45. Часы с индикацией частоты сердечных сокращений
«Электроника 56”
§ 46. Карманно-настольные часы
’’Электроника 2-11”
«Электроника 22-01”
§ 47. Управление настольными часами
’’Электроника 2-14”
’’Электроника 4-13”
§ 48. Часы «Электроника 55”
Глава 5. Устройство и ремонт часов
§ 49. Чистка аналоговых часов
§ 50. Устройство, ремонт и регулировка аналоговых часов с балансовым двигателем
§ 51. Устройство, ремонт и регулировка часов с шаговым двигателем
§ 52. Устройство и ремонт наручных электронных часов
§ 53. Устройство и ремонт автомобильных и карманных часов
§ 54. Карманные часы ’’Электроника 2-11”
§ 55. Устройство и ремонт настольных часов
’’Электроника Б6-403”
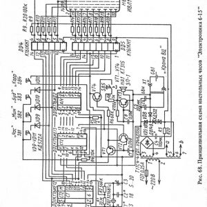
’’Электроника 6-15”
§ 56. Ремонт плат электронных наручных часов
§ 57. Частотомер ЧЗ-34А, 43-54
§ 58. Осциллограф С1-68
§ 59. Приборы диагностики
’’Электроника 500”
Измеритель параметров ИП-23
§ 60. Ампервольтомметры
§ 61. Организация рабочего места
§ 62. Техника безопасности и охрана труда












